?很多卡車上安裝了CBCU但功能絕不是燈泡壞了報個故障那么簡單!
2018-07-18 14:20:54類型:轉載來源:卡車維修第一站作者:責編
隨著電控發動機的普及,除了多了發動機電腦外,不少車型都開始配備了車身控制單元簡稱CBCU以及CAN總線通信技術。例如重汽,陜汽,歐曼等車輛上都配備有CBCU,那么他有什么用呢?

CBCU被稱為車身控制單元,CBCU是整個系統的控制核心,一方面負責對車身電器的控制,另一方面負責與組合儀表以及其他CAN總線設備交換信息,CBCU替換了傳統的繼電器和熔斷器,代替了中央電器裝置板的功能。
傳統線路的連接方式很非常的復雜
在過去的車輛上所有的電器、燈光照明全都通過開關和繼電器的組合來控制,特別是燈光電路、CAN總線(發動機管理系統、ABS、自動變速箱),這些電路錯綜復雜,當出現電路故障時,需要非常有經驗的維修人員花很多的時間在復雜的電路中找問題。
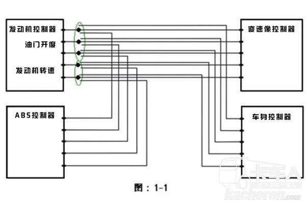
CAN通信極大程度上簡化了系統線路
當車身控制器出現之后,車身電路和過去相比有了極大地簡化,并且控制器具備自動檢查電路的能力,當燈光或傳感器電路故障出現之后,儀表板上的液晶顯示屏會準確的顯示故障位置,使維修人員可以快速準確的找到故障位置。

除此以外,CUCU的功能遠遠不止這些,設計人員可以通過更改程序實現更為復雜的邏輯控制,例如可以實現起動保護功能,或者不同開關的互鎖。
CBCU的輸入端可以通過程序設置為高電平24V有效信號或低電平搭鐵有效信號,輸出端也可以同樣如此,實現檢測負載功能,幫忙實現過載保護,短路保護,同時還有自診斷功能。

例如重汽豪沃系列的CBCU就帶有掛車燈光判斷邏輯, 每次閉合鑰匙開關或燈光開關或危急報警開關時,CBCU會對掛車的倒車燈和制動燈進行檢測,當其中任何一個燈功率大于15瓦時,CBCU則認為掛車已接入。隨后操作相應的開關時,掛車相應的輸出才會工作。
這也是為什么有些時候私拉亂接改裝燈光的時候,可能會對CBCU判讀產生影響進而導致系統報故障。

現在的車輛裝備了越來越多的電子控制系統及電子部件,如發動機管理系統、ABS、自動變速箱,行駛記錄儀后,用傳統的電路已經無法進行布線(需要太多的線路,單根線束中可能會有幾百根導線,線束變的和腿一樣粗),并且出現電路故障后極難找出問題。
在這種情況下采用CAN總線進行各個控制器之間的信號傳輸可以簡化電路并降低故障發生地機率。這方便我們使用的同時對維修思路和方法也帶來的新的要求。
熱門文章
- 冠軍選手來了!看運多多·傲運... 2023-08-01
- “清一色綠色軍團”,“鐵粉”... 2023-08-01
- 復購6輛奔馳卡車!魏國清用高端... 2023-07-31
- 對話遠程:如何用五年 成為首... 2023-06-02
- 淄博燒烤爆火VS大運V9熱銷的密... 2023-05-25
- “挖呀挖”火爆源于美好 大運V... 2023-05-24
- 現代商用車關懷服務行動 駕駛... 2023-05-15
- 深度定制 煥新而來 歐航歐馬... 2023-05-15
- 擎領未來 濰柴新能源商用車新... 2023-05-15
- 楊師傅:結緣汕德卡G7S燃氣車 ... 2023-04-28





